呆哥十月新作小蛮腰瑜伽视频大全,vlog唐伯虎高中生沈娜娜,三亚老牛影院今日放映表
在线咨询1
在线咨询2
设为首页
加入收藏
干油润滑部分
单线式集中润滑系统介绍
双线式集中润滑系统介绍
电动润滑泵
电动润滑泵
HB-P电动润滑泵
DRB-P电动润滑泵
ZPU型电动润滑泵
双列式电动润滑脂泵
DB-N单线润滑泵
DDRB-N型多点润滑泵
CDQ型电动润滑泵装置
DRB-L系列电动润滑泵
DRB-J系列电动润滑泵
DDB系列多点干油泵
DB、DBZ型单线干油泵
DXZ系列电动干油站
手(脚)动润滑泵
手(脚)动润滑泵
SRB手动润滑泵
SRB-J/L手动润滑泵
SGZ-8型手动润滑泵
SGZ-4/8F型手动润滑泵
KMPS单线手动润滑泵
JRB-3型脚踏润滑泵
加油泵
加油泵
DJB-F200电动加油泵
DJB-V70型电动加油泵
DJB-H1.6型电动加油泵
DJB-V400型电动加油泵
KGP型电动加油泵
SJB-V25型手动加油泵
SJB-D60型手动加油泵
气动泵
7786型气动润滑泵
AP-840B型气动补脂泵
双线分配器
双线分配器
SSPQ-P双线分配器
SDPQ-L双线分配器
VSKV-KR双线分配器
VSKH-KR双线分配器
SSPQ双线分配器
VSL-KR双线分配器
VSG-KR双线分配器
KS系列双线分配器
KW系列双线分配器
VS系列双线分配器
VW系列双线分配器
SGQ系列双线给油器
单线分配器
单线分配器
SSV单线递进式分配器
KJ单线递进式分配器
JPQS型递进式分配器
JPQ-K递进式分配器
JPQ递进式分配器
JPQ-L单进式分配器
FP、FPX单线分配器
PSQ型片式给油器
压力操纵、控制、换向阀及其附件
压力操纵、控制、换向阀
YCK-P5型压差开关
YKQ型压力指示器
YKQ-SB型终端式压力控制器
YKF-L型压力控制阀
YZF-L4型压力操纵阀
YZF-J4型压力操纵阀
24EJF-P型二位四通换向阀
EM型电动换向阀
DR4-5型液压自动换向阀
ZYP型二位四通液压换向阀
YHF型液压换向阀
DF型电磁换向阀
GGQ-P系列干油过滤器
GPF-8型干油喷射控制阀
GJQ型干油压力表减震器
GPZ-135型干油喷射阀
PF-200型干油喷射阀
AF-K10型安全阀
分配器罩
支架
稀油润滑部分
稀油集中润滑系统设计介绍
稀油润滑装置及稀油站
XHZ型稀油润滑装置
XYHZ型稀油润滑装置
XYZ-G型稀油站
XYZ-GZ型整体式稀油站
高(低)压稀油站
GXYZ型A系列
GXYZ型B系列
GDR型双高压系列
稀油润滑元件
WBZ型卧式齿轮油泵装置
LBZ型立式齿轮泵装置
SPL、DPL型网片式油滤器
SLQ型双筒网式过滤器
SWCQ型双筒网式磁芯过滤器
CLQ型磁过滤器
Y型系列过滤器
列管式冷却器
LQ系列列管式冷却器
LC系列列管式冷却器
SGLL型双联油冷却器
FL型空气冷却器
KL型空气冷却器
YZQ型油流指示器
YXQ型油流发讯器
GZQ型给油指示器
AF型安全阀
DXF型单向阀
管件部分
焊接式管接头
焊接式端直通圆锥管螺纹管接头
卡套式端直通管接头
卡套式直通管接头
卡套式端对接直通管接头
卡套式对接直通管接头
卡套式锥螺纹直通管接头
卡套式锥螺纹对接直通管接头
锥密封焊接式铰接管接头
锥密封焊接式管接头
扩口式端直通管接头
扩口式锥螺纹直通管接头
锥密封焊接式压力表管接头
铜管用管接头
钢管用螺纹连接接头
钢管用插入焊接式接头
焊接式接头
带阀接头
旋转接头
活接头
双向接头体
锥密封钢丝
其它管接件
高压胶管总成
A、B、C型扣压式胶管接头
A型可拆式胶管接头
管夹和管托架
塑料管夹
HZJ系列管夹
ZGJ系列座式管夹
油气润滑部分
油气润滑系统设计介绍
油气润滑系统的形式
单线二分式油气润滑系统
单线混分式油气润滑系统
单线—多区式油气润滑系统
单线卸压式油气润滑系统
双线式油气润滑系统
双线—递进式油气润滑系统
油气润滑系统产品
单线油—气供应站
ZRTYQZ-0.28/*型油气供应站
ZRWYQZ-*/*-B型油气供应站
双线油—气供应站
单线卸压式油—气供应站
SMX*-YQ型油—气分配混合器
QHQ-J型油—气分配混合器
ZRFLG*型油气分流器
ZRFLK*型油气分流器
YQWXZ-G型油气卫星站
AVE型油气分配混合器
DMM*-YQ型双线油气分配混合器
电气控制部分
GDK02型电气控制箱
GDK03型电气控制箱
DEA-2L型电气控制箱
DEA-2E型电气控制箱
R1902型电气控制箱
R1904型电气控制箱
双线式集中润滑系统介绍
手动终端式系统
一、系统介绍
由换向阀 1a 的位置决定润滑泵①输出的润滑剂经两条供油主管的某一条供送,另一条向贮油器开放。
双线分配器②全部动作完毕,供油压力急剧上升。可用供油压力是否达到预先确认的数值来判断系统给油工作是否已经完成。
系统再次进行给油运行时,换向阀 1a 处于相反位置,此时供油主管压送和开放交换。
二、特 点
系统简单,设备费用低。
适用于给油间隔时间长,润滑点少的场合。
也可与其它系统配合,润滑某些特殊的部位。
三、系 统 图 四、系统装置简图
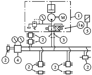
电动终端式系统
一、系统介绍
电控柜⑤内的指令时间继电器使系统按照设定的给油间隔时间自动动作,按”给油时间延长“表示给油工作的异常,另设有”贮油器空“,”过负荷运转“等警报信号。指令时间继电器按系统一次给油工作实际所需时间加2~5分钟调整。
供油主管末端装有压力操纵阀或压差开关阀或二只压力开关阀(每管线单配)④,当末端压力达到设定值,向电控柜发送信号,换向阀 1a 换向,润滑泵①停止系统一次给油工作完成。经过设定的时间间隔后,系统再次工作,从另一条主油管供油。
系统设计通常按给油时间5分钟以内(最高8分钟以内)设计,压差开关/压力操纵阀的标准设定压力为5MPa左右。
压差开关/压力操纵阀设置在压力损失最大处的供油主管末端,建议后面再布置一块分配器(见下图双点线框内),以便于末端油脂的更新。
对于中小型系统,为方便电气配线,可以采用前端压力控制换向,即在换向阀二出口管线上并联安装压力控制器,末端无须安装压差开关/压力操纵阀。
二、特 点
配管费用较低。
采用末端压力作为系统给油工作完成的控制参数,设计容易。
适用于润滑点分布较广的场合。
三、系 统 图
四、系统装置简图
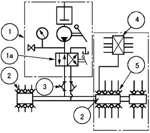
电动环式系统
一、系统介绍
电控柜④内的指令时间继电器使系统按照设定的给油间隔时间自动动作,指令时间用”给油时间延长“表示给油工作的异常,另设有”贮油器空“、”过负荷运转“等警报信号。指令时间继电器按系统一次给油工作实际所需时间加2~5分钟来调整。
液压换向阀 1a 具有切换两条供油主管和控制供油主管末端的压力的功能,当供油的主管的末端压力达到液压换向阀的设定压力,液压换向阀换向,并向电控柜发送信号,润滑泵①停止,系统再次工作,从另一条主油管供油。
系统设计通常按给油时间5分钟以内(最高8分钟以内)设计,液压换向阀的标准设定压力为5MPa。
二、特 点
供油管末端压力直接控制换向阀换向,动作可靠。
换向阀装设于润滑泵上,电气配线费用低。
在润滑泵上进行压力调整,维护、检查方便。
适用于润滑点比较集中的场合。
四、系统装置简图
三、系 统 图
四、系统装置简图
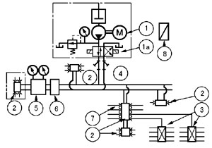
电动二级分配系统
一、系统介绍
基本动作和前述电动终端式系统相同。二次分配由双线分配器②的出油口接二次供油管向递进式分配器③供油,这样,双线式分配器的一个出油口可向4~8个润滑点给油。
在分配器②和③之间的配管较长的情况下,为使分配器③动作有充分的保证,采用了压力控制阀⑥,使主管压力升高。压力控制阀安装在距压差开关/压力操纵阀⑤1米以内的主管上。
压差开关/压力操纵阀后续需布置一块双线式分配器(见下图接线框内),这块分配器上不要再接递进式分配器,进行二次分配。压差开关/压力操纵阀一般安装在压力损失最大处的供油主管末端。
电动环式系统亦能布置二级分配,压力控制阀安装在距液压换向阀回油口1米以内的主管上。
二、特 点
适用于润滑点众多,给油量相同、分布集中的场合。
空间狭小难于确认分配器动作的场合,使用效果好。
和压力控制阀配合使用,可以采用细长的管路。
检查部位集中,便于维护管理。
四、系统装置简图
三、系 统 图
四、系统装置简图
系统配管要领
配管例②(支管引出部分及分配器连接部分)
配管例③(分配器→轴承配管要领-固定部位)
润滑点可以有固定、移动、旋转三种不同类型,其配管方法各异。对于固定不动的部件,一般工作场合的配管主要使用铜管,特殊场合则使用不锈钢管,分配器出口侧采用端直通管接头,轴承侧应使用直角管接头或端直通管接头。
配管例④(分配器→轴承配管要领-移动、旋转部件)
对于移动部件应使用胶管(特殊及高温场合使用金属软管)
对于旋转轴,轴端安装旋转接头并和胶管连接。
Copyright © 2012 上海玖仟润滑设备有限公司 公司地址:上海市宝山区河曲路118号 办公地址:上海市宝山区殷高路16弄2号1003室
电话:021-35365056 35365057 传真:021-23025976 网址:www.m.fujulou114.cn E-mail:shanghai9000@126.com
主站蜘蛛池模板:
蛟河市
|
崇礼县
|
中卫市
|
大安市
|
隆回县
|
襄垣县
|
平乐县
|
米易县
|
交城县
|
赤水市
|
资溪县
|
神池县
|
西充县
|
萨迦县
|
来凤县
|
榕江县
|
阿勒泰市
|
长治市
|
宜良县
|
龙陵县
|
渭源县
|
乐平市
|
吉林省
|
印江
|
武安市
|
湖北省
|
克拉玛依市
|
邢台市
|
富平县
|
建瓯市
|
兰考县
|
宾川县
|
大厂
|
曲麻莱县
|
镇宁
|
隆子县
|
沾化县
|
鄂伦春自治旗
|
秦皇岛市
|
平原县
|
任丘市
|