呆哥十月新作小蛮腰瑜伽视频大全,vlog唐伯虎高中生沈娜娜,三亚老牛影院今日放映表

在线咨询1
在线咨询2
设为首页 加入收藏
 干油润滑部分
单线式集中润滑系统介绍
双线式集中润滑系统介绍
电动润滑泵
 
手(脚)动润滑泵
 
加油泵
 
气动泵
 
双线分配器
 
单线分配器
 
压力操纵、控制、换向阀及其附件
 
 稀油润滑部分
稀油集中润滑系统设计介绍
稀油润滑装置及稀油站
 
高(低)压稀油站
 
稀油润滑元件
 
 管件部分
 
 油气润滑部分
油气润滑系统设计介绍
油气润滑系统的形式
 
油气润滑系统产品
 
 电气控制部分
 
 
SSV系列单线递进式分配器(30MPa)

一、使用条件
SSV系列单线递进式分配器适用于公称压力为30MPa以下的单机或小型干稀油单线集中润滑系统中。它靠壳体内部的活塞将由入口输入的润滑剂以预定的量可靠地和强制性地分配。该型分配器左右两侧均有吐出油口,不同吐出口数的安装尺寸相同,吐出口派生合并增大给油量与手动、气动或电动润滑泵相连接可组成简单,费用低廉的小型集中润滑系统,也可与大型集中润滑系统中的单线或双线分配器连接作为辅助分配器进行二级分配。


二、技术参数  
型 号
公称压力Mpa
每口额定给油量ml/循环
起动压力Mpa
吐出口数
重量kg
SSV-6
30
0.2
≤1.5
6
1.1
SSV-8
8
1.5
SSV-10
10
2.0
SSV-12
12
2.5
使用介质为锥入度大于265(25℃,150g)1/10mm,(NLGI0#-2#)的润滑脂。如使用润滑油,粘度等级大于N68。
 
三、型号说明
 
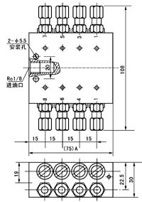
四、外形尺寸
型号
A
最大允许通过介质量(ml/min)
SSV-6
60
200
SSV-8
75
600
SSV-10
90
700
SSV-12
105
800

1、出油口:φ6(出厂时已装油嘴组件)
2、25℃时润滑剂通过分配器的最大压力损失1-2MPa。
    
五、型号说明
润滑剂以箭头方向进入分配器压送到活塞A的右侧末端。活塞A通过润滑剂压力而向左侧运动。位于活塞A左侧前端的润滑剂通过壳体内部通道输送到排出口2 并从此通过润滑位置管道到达摩擦位置。
当活塞A到达其左侧终端位置后,通向活塞B右侧终端位置的连接通道打开。润滑剂流动到活塞B右侧的末端并使活塞B向左侧运动。位于活塞B左侧前端的润滑剂通过壳体内部通道输送到排出口7。
当活塞B位于其左侧终端位置后,它使得通向活塞C右侧终端位置的连接通道打通,这样润滑剂在压力的作用下流动并使活塞C向左运动。而位于活塞C左侧前端的润滑剂输送到排出口5。

现在通向活塞D的连接通道是打开的,润滑剂压送到活塞D右侧末端。位于活塞D左侧前端的润滑剂将从排出口3 输出。
当活塞D打通通向活塞A左侧终端的连接通道后,润滑剂流动并将活塞A向右推动。位于活塞A前右侧的润滑剂输送到排出口1。
这时活塞B至D从左侧向右侧运动,按以上相反方向顺序动作完成一个周期循环并可重新开始一个新的循环。
 
六、使用说明
1、在系统中推荐最多通过“两级”来进行润滑剂的分配。
2、排出油口1和2始终不能关闭。
3、始终使用原配的排出油口油嘴零件组。
4、装拆调换油嘴零件时要从每侧的上部或最下部吐出口开始。
5、如果吐出口要补充关闭,合并润滑剂量(改流到下面低数的吐出口排出),必须去掉油嘴体,用M10×1螺塞封堵按下图范例连接。
 
七、故障及排除方法
在设备中或任何一个接通的轴承中发生阻塞。首先检查润滑泵是否工作和润滑剂是否给到主分配器,打开分配器进油口接头时润滑剂会溢出证明分配器是故障根源。将进油口接头接上拧紧,依次打开所属轴承进油口接头,润滑剂溢出,那么这个轴承就是阻塞的轴承。
当分配器出现内阻塞时,应更换分配器。紧急情况下可根据以下条件清理分配器。
1、必须拥有一块干净的工作场地。
2、拆去各进、出油口接头。
3、卸掉活塞孔二端的螺塞。
4、用一个软的芯棒(直径小于6mm,尽可能是塑料棒)将活塞推出。
5、用压缩空气喷吹和清洗分配器体。
6、用细铁丝(F1.5mm),检查分配器体内的流道斜孔。
7、再次清洗和喷吹分配器体。
8、更换铜垫圈,重新组装分配器。
9、用一个手动泵检查新组装好的分配器,这时分配器的起动压力不能高于2.5MPa。如果起动压力高于2.5MPa,应更换分配器。
 
 
Copyright © 2012 上海玖仟润滑设备有限公司 公司地址:上海市宝山区河曲路118号 办公地址:上海市宝山区殷高路16弄2号1003室
电话:021-35365056 35365057 传真:021-23025976 网址:www.m.fujulou114.cn E-mail:shanghai9000@126.com
主站蜘蛛池模板: 洛扎县| 锦屏县| 乌兰浩特市| 孟津县| 雷州市| 安徽省| 大厂| 阳原县| 汝阳县| 兴和县| 唐河县| 青阳县| 长阳| 闽侯县| 西吉县| 栖霞市| 梧州市| 巩义市| 五家渠市| 余庆县| 密山市| 尉犁县| 茌平县| 琼结县| 长白| 万盛区| 潼南县| 遵义市| 台北市| 阿尔山市| 庄河市| 临武县| 双流县| 鹤壁市| 大悟县| 满城县| 五大连池市| 乐都县| 临西县| 滨州市| 麦盖提县|