呆哥十月新作小蛮腰瑜伽视频大全,vlog唐伯虎高中生沈娜娜,三亚老牛影院今日放映表

在线咨询1
在线咨询2
设为首页 加入收藏
 干油润滑部分
单线式集中润滑系统介绍
双线式集中润滑系统介绍
电动润滑泵
 
手(脚)动润滑泵
 
加油泵
 
气动泵
 
双线分配器
 
单线分配器
 
压力操纵、控制、换向阀及其附件
 
 稀油润滑部分
稀油集中润滑系统设计介绍
稀油润滑装置及稀油站
 
高(低)压稀油站
 
稀油润滑元件
 
 管件部分
 
 油气润滑部分
油气润滑系统设计介绍
油气润滑系统的形式
 
油气润滑系统产品
 
 电气控制部分
 
 
KS系列双线分配器(20MPa)

一、概述
KS系列双线分配器适用于公称压力为20MPa双线式干油集中润滑系统中,作为一种计量给油装置它在两条供油主管交替的供油压力作用下,直接由供油压力控制活塞动作给油,完成向润滑点定量分配润滑脂的功能。
该系列双线分配器出油口均布在底面,分配器活塞正反向动作均从同一给油口排出润滑脂,还可以从指示杆的动作直接观察分配器的工作情况,同时还可通过调螺钉在规定的范围内方便地调整各个出油口的给油量。


二、技术参数  
型 号
出油口数
公称压力MPa
给油mL/循环
调整螺钉每转一圈调整量ml
重量kg
KS-31
1
20
0.2-1.2
0.06
0.8
KS-32
2
1.4
KS-33
3
1.8
KS-34
4
2.3
KS-41
1
0.6-2.5
0.10
1.0
KS-42
2
1.9
KS-43
3
2.7
KS-44
4
3.2
KS-51
1
1.2-5.0
0.15
1.4
KS-52
2
2.4
KS-53
3
3.5
KS-54
4
4.6
KS-61
1
3.0-14.0
0.68
2.4
KS-62
2
4.2
KS-62-1
1
6.0-28.0
4.2
适用介质为锥入度不低于295(25℃,150g)1/10mm润滑脂(NLGI0#~1#)或粘度等级大于N68的润滑油;使用环境温度为-10℃~+80℃,使用介质为润滑油时,可在10MPa压力下使用。
 
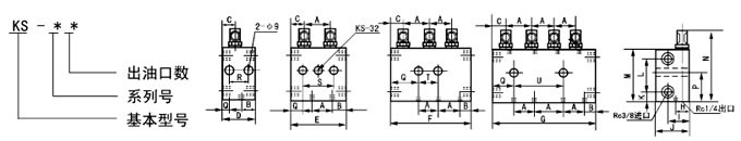
三、型号说明
 
四、外形尺寸
型号
A
B
C
D
E
F
G
H
I
J
K
L
M
N
P
Q
R
S
T
U
KS-31
-
8
21.5
44
-
-
-
10
26
38
11.5
42
65
101.5
39
10
24
-
-
-
KS-32、KS-33、KS-34
29
8
21.5
-
73
102
131
10
26
38
115
42
65
101.5
41
36.5
-
-
29
58
KS-40
32
9
24
49
81
113
145
10.5
28.5
40
11
54
76
126
48
10.5
28
60
91
123
KS-50
37
9
25.5
53
90
127
164
12
33
45
13
57
83
136
53
10
33
70
107
144
KS-60
46
10
29
62
108
-
-
20
-45
57
16
57
89
151
56
10
42
88
-
-
 

五、订货须知
分配器安装使用环境温度在-10℃~+80℃以外的必须在订货合同中注明,以便供货时使用耐低、高温油封。

 
Copyright © 2012 上海玖仟润滑设备有限公司 公司地址:上海市宝山区河曲路118号 办公地址:上海市宝山区殷高路16弄2号1003室
电话:021-35365056 35365057 传真:021-23025976 网址:www.m.fujulou114.cn E-mail:shanghai9000@126.com
主站蜘蛛池模板: 寻乌县| 固始县| 神农架林区| 石狮市| 建平县| 巴林右旗| 柳河县| 大连市| 宽甸| 鄂托克旗| 广东省| 鹤山市| 衡山县| 定陶县| 正定县| 乌拉特后旗| 藁城市| 林西县| 周宁县| 台北县| 渭南市| 邳州市| 子长县| 沙洋县| 尼勒克县| 屏南县| 遂溪县| 桃江县| 汪清县| 昌平区| 东丰县| 卓资县| 锦州市| 博罗县| 乌鲁木齐县| 南昌市| 马关县| 德昌县| 南充市| 霍城县| 长汀县|